收藏本站
丨
联系我们
欢迎来到苏州尼克拉斯机电有限公司
网站首页
尼克拉斯BX-RV减速器样本
关于我们
产品展示
尼克拉斯AGV舵轮2-1
高精度行星减速机(斜齿)
精密行星减速机(直齿)
分割器
中空旋转平台
新闻中心
行业新闻
公司新闻
案例展示
公司优势
资料下载
联系我们
合作单位:
电炉
,
绕包机
,
脱硫泵
,
氧化铝陶瓷
,
数码管
产品展示
当前位置:
网站首页
>
产品展示
>
分割器
尼克拉斯AGV舵轮2-1
高精度行星减速机(斜齿)
NAB系列(斜齿3弧分)
AB60(50W-400W)
AB90(400W-750W)
AB115(750W-2KW)
AB140(1.5KW-3KW)
NAH系列(斜齿3弧分)
AH60(50W-400W)
AH90(400W-750W)
AH110(750W-2KW)
AH140(1.5KW-3KW)
NAF系列(斜齿3弧分)
AF60(50W-400W)
AF90(400W-750W)
AF120(750W-2KW)
AF140(1.5KW-3KW)
NAL系列(斜齿3弧分)
AL60(50W-400W)
AL90(400W-750W)
AL120(750W-2KW)
AL140(1.5KW-3KW)
精密行星减速机(直齿)
PLH系列
PLE系列(直齿经济型)
PLE60(50W-400W)
PLE90(400W-750W)
PLE120(750W-2KW)
PLE160(1.5KW-3KW)
PLF系列(直齿经济型)
PLF60(50W-400W)
PLF90(400W-750W)
PLF120(750W-2KW)
PLF160(1.5KW-3KW)
ZPLE系列(直齿经济型)
ZPLE60(50W-400W)
ZPLE90(400W-750W)
ZPLE120(750W-2KW)
ZPLE160(1.5KW-3KW)
ZPLF系列(直齿经济型)
ZPLF60(50W-400W)
ZPLF90(400W-750W)
ZPLF120(750W-2KW)
ZPLF160(1.5KW-3KW)
PLX系列(直齿大扭矩)
PLX115(1KW-2KW)
PLX142(1.5KW-3KW)
PLX182(3KW-7.5KW)
PLX220(5KW-11KW)
PLX280(7KW-15KW)
PLX330(11KW-20KW)
分割器
中空旋转平台
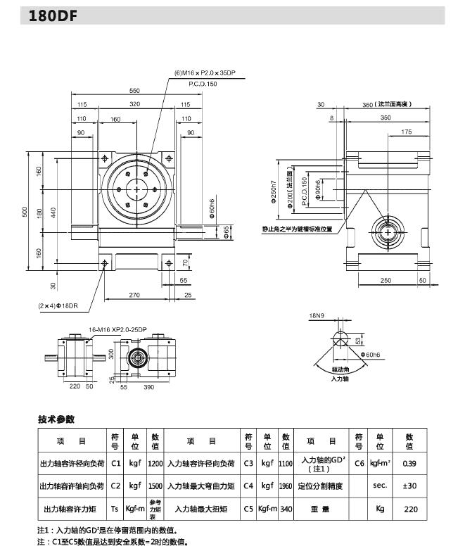
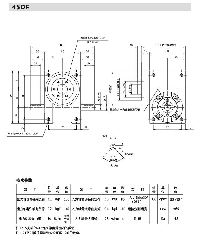
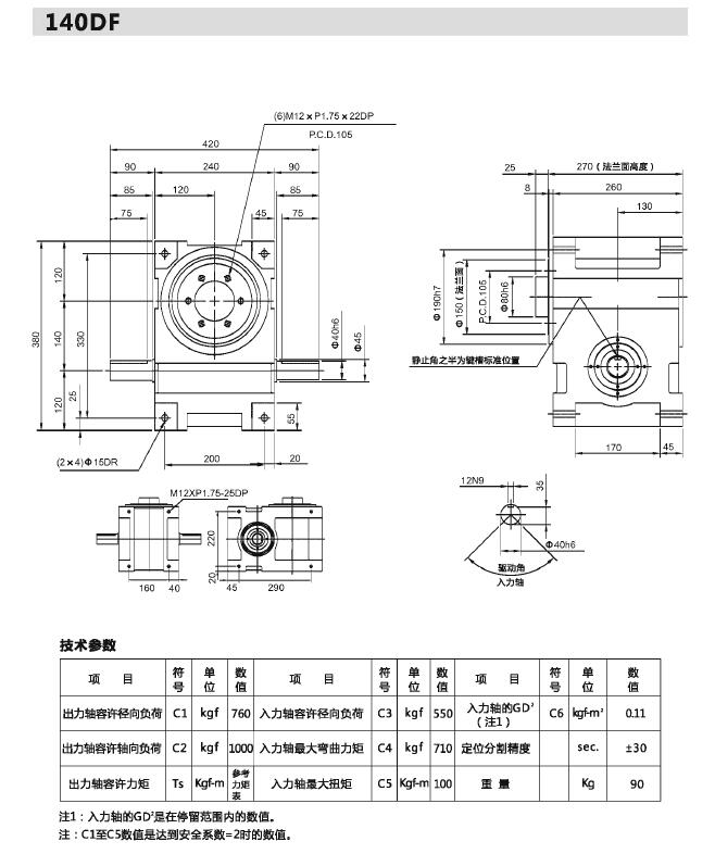
凸缘型45DF,60DF,70DF,80DF,110DF,140DF,180DF
产品分类:
分割器
产品标签:
伺服行星减速机
行星减速机
新宝RV减速机
新宝谐波减速机
村田RV减速机
PLE120-10
PLE120-5
PLE90-10
PLE90-5
PLE60-5
PLE60-10
AB115-10-S2-P2
浏览次数:
已有
3993
位客户关注
产品详细介绍
下一页:没有了…
上一页:
心轴型25D,32D,38D,45D,60D,70D,80D,83D,100D,180D
相关产品
AL140(1.5KW-3KW)
PLX330(11KW-20KW)
ZPLX142(1.5KW-3KW)
ZPLE160(1.5KW-3KW)
PLF120(750W-2KW)
地区分销
在线客服
咨询电话:
0512-86663186
18550182218
13914037859
QQ客服1:
QQ客服2:
QQ客服3:
QQ客服4:
返回顶部